服務熱線
19857007412
電磁熱量表主要是對熱交換系統中載能介質(液體水)的供水溫度、回水溫度及瞬時流量進行實時測量,并按照熱力學能量計算公式,對系統消耗的冷量或熱量值進行計算并保存的裝置。其中電磁式流量傳感器是通過法拉第電磁感應定律,將瞬時流量信號線性的變化為感應電動勢這一電信號,從而得到瞬時流量信號。計算器將流量信號與溫度傳感器采集的溫度信號進行積算,得出我們需要的能量值。
19857007412
電磁熱量表主要是對熱交換系統中載能介質(液體水)的供水溫度、回水溫度及瞬時流量進行實時測量,并按照熱力學能量計算公式,對系統消耗的冷量或熱量值進行計算并保存的裝置。其中電磁式流量傳感器是通過法拉第電磁感應定律,將瞬時流量信號線性的變化為感應電動勢這一電信號,從而得到瞬時流量信號。計算器將流量信號與溫度傳感器采集的溫度信號進行積算,得出我們需要的能量值。
·熱表工作模式、冷表工作模式、冷表熱表模式
·MJ/h、GJ/h、KWh/h、MWh/h四種可供選擇
·流量輸出、熱量輸出、冷量輸出、冷熱狀態輸出、流量方向輸出
·16位嵌入式微處理器轉換器,全數字處理
·可測任何導電液體


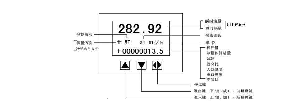
儀表上電時,自動進入測量狀態
在自動測量狀態下,儀表自動完成各測量功能并顯示相應的測量數據
在參數設置狀態下,用戶使用三個面板鍵,完成儀表參數設置
產品名稱:電磁式冷熱量表
口 徑:DN10-DN1000
輸出信號:4~20ma
通訊方式:RS485,MODBUS協議
流速范圍:0.1~15M/S(最大) 0.5~10M/S(常規)
電 極:不銹鋼316L、哈氏合金(HB和HC)、鈦、鉭、鉑
防護等級:IP65,IP68可定制
精度等級:1級 0.5級
供 電: 標準220V供電,可定制24V
公稱壓力:1.6MPA;1.0MPA






